Режим "F" в проблемной АКПП (W168). Пути решения.

Сообщение 04.01.2024 10:07

zheka14bel писал(а):плата до меня уже кем-то ремонтировалась, вскрыл ее, волоски пропаяны и контакты от клапана до платы прозваниваются.

думаю можно начинать искать плату

zheka14bel писал(а):Сколько должно быть латунных крышечек на соленойдах - у меня установлено 3 шт (на клапанах y3/7s1, y3/7y4, y3/7y1), шарясь по интернету вижу что много у кого их 4 шт.

Были разные вариации, у вас там 99г там и соленоиды другие чем то что вы видите на других фото. Но это имеет отношения к проблеме с платой.
В ЛС не консультирую, все вопросы на форуме!
Аватара пользователя
macho
 
Сообщения: 4653
Зарегистрирован: 09.07.2012 23:25
Город: Минск
Авто: w168 1.7CDI
Имя: Ашкин доктор ©

Сообщение 04.01.2024 16:07

macho писал(а):
zheka14bel писал(а):плата до меня уже кем-то ремонтировалась, вскрыл ее, волоски пропаяны и контакты от клапана до платы прозваниваются.

думаю можно начинать искать плату
Спасибо за развернутый ответ, буду подыскивать плату
zheka14bel
 
Сообщения: 3
Зарегистрирован: 28.12.2023 10:16
Город: Гомель
Авто: A170 CDI w168
Имя: Евгений

Сообщение 15.01.2024 09:47

Здравствуйте, подскажите пожалуйста, mercedes w168 ошибка p1850 - скинули старом её, неделю поездил, около 300 км, проехал, потом опять упала, подскажите, есть ли смысл её делать или ездить до талого скидыванием ошибки? Насколько часто она может так-же вылетать и сколько можно так проездить?
Slavom
 
Сообщения: 1
Зарегистрирован: 15.01.2024 09:35
Город: moscow
Авто: w168

Сообщение 16.01.2024 23:45

Slavom можно попробовать сделать плату, и все будет ездить дальше. Страшного особо ничего нету, просто в один прекрасный момент загорится F и уже не сотрется. А в F долго ездить не стоит, да и комфорта мало.
В ЛС не консультирую, все вопросы на форуме!
Аватара пользователя
macho
 
Сообщения: 4653
Зарегистрирован: 09.07.2012 23:25
Город: Минск
Авто: w168 1.7CDI
Имя: Ашкин доктор ©

Сообщение 30.01.2024 20:33

Здравствуйте, подскажите может кто сталкивался на МБ А160 w168. Проблема с коробкой 1 передачи на 2 затягивает переключение и R с задержкой включает. ошибка ("р1889" -давление ,пониженное при регулировании клапана 2/5/R или повышенный в клапане электромагнитного клапана 2/5/R (Y3/7y3)) где можно добыть информацию?.
Где найти схемы, блок управления ...
Madian
 
Сообщения: 7
Зарегистрирован: 30.01.2024 20:18
Город: Петропавловск
Авто: Мерседес
Имя: Madian

Сообщение 31.01.2024 04:23

И коробка периодически встаёт в F режим. Может у кого есть схемы? Или кто подскажет где начать искать...
Madian
 
Сообщения: 7
Зарегистрирован: 30.01.2024 20:18
Город: Петропавловск
Авто: Мерседес
Имя: Madian

Сообщение 31.01.2024 04:24

Хотел посмотреть блок управления АКПП но к сожалению тоже не могу найти где находится этот блок.
Madian
 
Сообщения: 7
Зарегистрирован: 30.01.2024 20:18
Город: Петропавловск
Авто: Мерседес
Имя: Madian

Сообщение 20.02.2024 13:18

Добрый день!!! Подскажите,где в Минске можно отремонтировать плату управления АКПП 1.7CDI 2001г.в.ошибка 1840,стирается,а F с панели не уходит.
Моторово
 
Сообщения: 1
Зарегистрирован: 20.02.2024 12:59
Город: Минск
Авто: W168 1.7cdi акпп
Имя: Вадим

Сообщение 22.02.2024 18:52

блоки ремонтирует macho
_Vlladimir_
 
Сообщения: 57
Зарегистрирован: 15.05.2019 18:11
Город: Шумилино
Авто: MB W168 A160
Имя: Владимир

Сообщение 22.02.2024 18:54

macho
Madian писал(а):ема с коробкой 1 передачи на 2 затягивает переключение и R с задержкой включает. ошибка ("р1889" -давление ,пониженное при регулировании клапана 2/5/R или повышенный в клапане электромагнитного клапана 2/5/R (Y3/7y3)) где можно добыть информацию?.
Где найти схемы, блок управления ...

блок управления внутри коробки) а мануалы тут Список форумов › Общие форумы › Технический отдел › FAQ АКПП 722.7
_Vlladimir_
 
Сообщения: 57
Зарегистрирован: 15.05.2019 18:11
Город: Шумилино
Авто: MB W168 A160
Имя: Владимир

Сообщение 25.02.2024 10:15

Подскажите если АКПП поставить с таким же номером который стоит в машине тоже нужно привязывать? И вообще нужно ли как то поивязыват АКПП, просто у себя в городе есть АКПП с другими номерами но боюсь если нужно будет привязывать то возможно не найду такого электрика...
И нашел АКПП с таким же номером в Москве. Но стоит ли брать её если тож нужно будет привязывать! Подскажите пожалуйста!
Акпп у меня стоит 722.7 с номером А 168 370 28 00 и аналогичную предлагают в Москве.
Предлагают у меня в городе с номером А 168 370 44 00
, А 168 370 36 00.
Madian
 
Сообщения: 7
Зарегистрирован: 30.01.2024 20:18
Город: Петропавловск
Авто: Мерседес
Имя: Madian

Сообщение 25.02.2024 10:19

Стоит ли переплачивать за доставку если один чёрт нужно будет привязывать!!? Добрые люди подскажите время горит, пока Есть попутная машина с Москвы чтобы успеть забрать...
Madian
 
Сообщения: 7
Зарегистрирован: 30.01.2024 20:18
Город: Петропавловск
Авто: Мерседес
Имя: Madian

Сообщение 25.02.2024 10:21

Стоит ли переплачивать за доставку если один чёрт нужно будет привязывать!!? Добрые люди подскажите время горит, пока Есть попутная машина с Москвы чтобы успеть забрать...
Madian
 
Сообщения: 7
Зарегистрирован: 30.01.2024 20:18
Город: Петропавловск
Авто: Мерседес
Имя: Madian

Сообщение 25.02.2024 10:22

В Москве АКПП с ОАЭ завезена.это хорошо или плохо?(
Madian
 
Сообщения: 7
Зарегистрирован: 30.01.2024 20:18
Город: Петропавловск
Авто: Мерседес
Имя: Madian

Сообщение 28.02.2024 21:00

Здравствуйте давно не заходил на форум. Я всё таки оживил своего ,,мерсавца,,. После долгих поисков я нашёл калибровочные коды клапанов. И пропала ошибка ,,F,, авто заработала почти правильно. К моей радости я не пешеход и мой ,,мерсавец,, меня исправно возит. Ошибок по акпп нет. Кроме 200А которую можно игнорировать.Но осталась одна небольшая проблемка. Почти неощутимое некорректное переключение передач. Оказалось клапан переключения Y3/7y5 постоянно выключен. ( 59 Ventil-Signale: Schaltventil aus ) так показывает Star C3 и Vediamo 4. Програмно наверно. Пока не нашёл выход из положения. Да и спецы с форумов помалкивают пока. Если есть идеи по решению этой проблемы, поделитесь... Спсибо.
alisio1964
 
Сообщения: 3
Зарегистрирован: 31.10.2023 11:20
Город: Batumi
Авто: W168
Имя: Aleksandr

Сообщение 01.03.2024 13:27

Добрый день. Нужна помощь с машиной W168 A160
Переодически мигал индикатор коробки. Полез посмотреть провод который идёт к коробке был в нескольких местах перетерт один из проводов как мне показалось вообще оборван. Соединил провода пропоял подключил к коробке. Ошибка по can шине коробку машина не видит. Стало ещё хуже чем было с такими перетертыми проводами. вообще печаль. Получается могла выйти из строя вся плата как было какое КЗ.
Вот не знаю правильно ли делаю но пробую прозвонить провод звонится только один пин который по центру из трёх и 69 на мозгах остальные тишина. Может подскажете нумерацию пинв в коробке. Кажется видь правильно все спаял почему теперь вообще не звонятся или ещё где-то обрывы или может какой предохранитель есть.
Вопрос к Maho вы в Минске занимаетесь ремонтом W168 если к вам приехать. Или вы только ремонтируете уже снятые агрегаты. Спасибо всем за помощь
Кароче ребята. Размотал я эту свою сделанную косу. И что оказалось на двух проводах в том месте где до меня кто-то делал под запаянной изоляцией все в труху сгнито. Сегодня уже нет времени. Получается нужно эти провода как я понимаю обрезать и скручивать все заново и пропайвать. А потом буду смотреть.
Вложения
PXL_20240229_095746932~2 (2).jpg
anfon
 
Сообщения: 1
Зарегистрирован: 01.03.2024 12:56
Город: Брест
Авто: А160
Имя: Юра

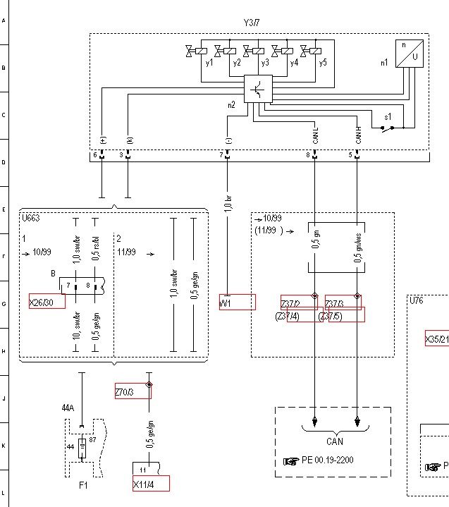
Сообщение 01.03.2024 23:49

Схему прикрепил. Возможно и плата подошла...
Вложения
722.7.jpg
В ЛС не консультирую, все вопросы на форуме!
Аватара пользователя
macho
 
Сообщения: 4653
Зарегистрирован: 09.07.2012 23:25
Город: Минск
Авто: w168 1.7CDI
Имя: Ашкин доктор ©

Сообщение 02.04.2024 20:19

Здравствуйте может вы подскажете что это и как с этим бороться мерсадес а 160 2000г, ошибка 200А внутренняя ошибка в блоке управления,(неисправность может быть проигнорирована ) ,и ещё одна ошибка 240Сположение селектора от конструктивной узлаА61электронний модуль рычага селектора модуль ра познования положения рычага управления недоступно на шине CAN.в ноябре поменяли коробку на контактную ,ездила без проблем до первой оттепель и опять по новой падает в режим F .
СветланаКосован
 
Сообщения: 7
Зарегистрирован: 01.11.2023 11:12
Город: Белоусово
Авто: Мерседес а 160
Имя: Kosovan SV

Сообщение 05.04.2024 07:37

macho Здравствуйте может вы подскажете что это и как с этим бороться мерсадес а 160 2000г, ошибка 200А внутренняя ошибка в блоке управления,(неисправность может быть проигнорирована ) ,и ещё одна ошибка 240Сположение селектора от конструктивной узлаА61электронний модуль рычага селектора модуль ра познования положения рычага управления недоступно на шине CAN.в ноябре поменяли коробку на контактную ,ездила без проблем до первой оттепель и опять по новой падает в режим F .
СветланаКосован
 
Сообщения: 7
Зарегистрирован: 01.11.2023 11:12
Город: Белоусово
Авто: Мерседес а 160
Имя: Kosovan SV

Сообщение 05.04.2024 23:07

СветланаКосован надо ремонтировать плату
В ЛС не консультирую, все вопросы на форуме!
Аватара пользователя
macho
 
Сообщения: 4653
Зарегистрирован: 09.07.2012 23:25
Город: Минск
Авто: w168 1.7CDI
Имя: Ашкин доктор ©

Пред.След.

Кто сейчас на конференции

Сейчас этот форум просматривают: Google [Bot] и гости: 1